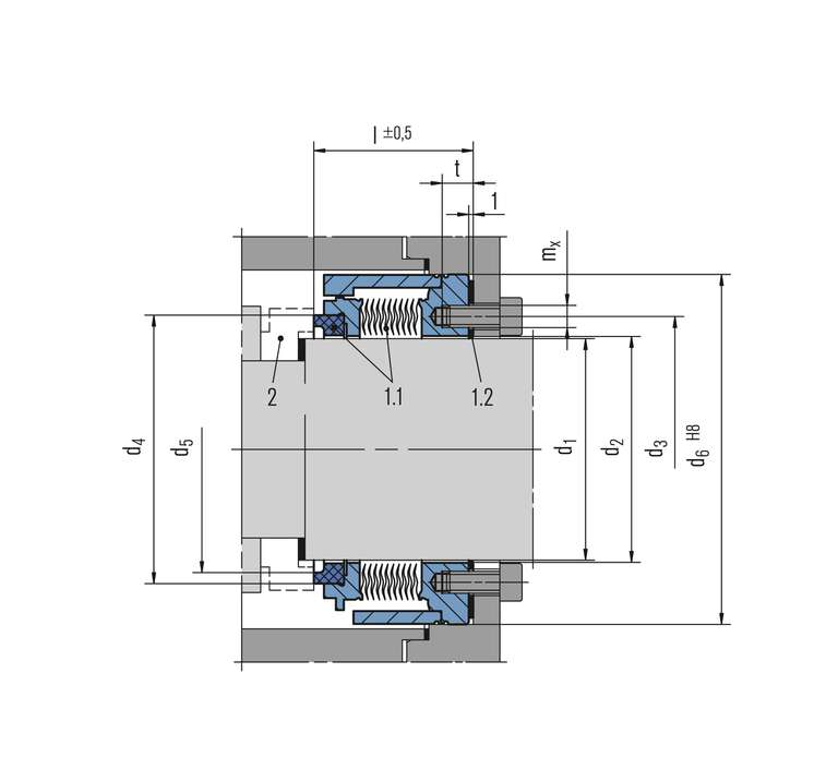
Item Part
DIN 24250
Description
1.1 472 and 481 Seal face
and bellows unit
1.2 400.1 Flat gasket
2 475 Seat

MFL65

Features

  • Stationary bellows
  • Single Seal
  • Balanced
  • Independent of direction of rotation

Advantages

  • For high temperature
  • High sliding velocities
  • No elastomer secondary seals

Operating range

Shaft diameter: d1 = 16 ... 100 mm (0.63" ... 4"), (>100 mm on request)
Externally pressurized: p1 = 25 bar (363 PSI), (higher pressure possible, please inquire)

Internally pressurized:
p1 <120 °C (248 °F) 10 bar (145 PSI),
p1 <220 °C (428 °F) 5 bar (72 PSI),
p1 <400 °C (752 °F) 3 bar (44 PSI)
Stationary seat lock necessary.

Temperature:
t = -20 °C ... 400 °C (-4 °F ... +752 °F)
Sliding velocity: vg = 50 m/s (165 ft/s)

Materials

Bellows:
Inconel® 718 (M6), Hastelloy® C-276 (M5)
Seal face:
Carbon graphite antimony impregnated (A), Silicon carbide (Q12)
Seat:
Silicon carbide (Q1), Special cast CrMo steel (S)
Metal parts:
Duplex (G1), Carpenter® 42 (T4), Hastelloy® C-4 (M)



Product variants

MFL69
Shaft diameter:
d1 = 16 ... 100 mm (0.64" ... 4"),
(>100 mm on request)
Internally pressurized:
p1 = 16 bar (232 PSI),
(higher pressure possible, please inquire)
Externally pressurized:
p1 = 10 bar (145 PSI),
stationary seat lock necessary. Temperature:
t = -20 °C ... +400 °C (-4 °F ... +752 °F) Sliding velocity:
vg = 50 m/s (165 ft/s)

Similar products

LY9DSTT

  • API 682 Category 2 and 3, Type C, Arrangement 3 seal
  • Dual seal in face-to-face arrangement
  • Balanced
  • Cartridge unit
  • Stationary metal bellows
  • Shrink fitted seal rings and solid mating rings

LY9DZTT

  • API 682 Category 2 and 3, Type C, Arrangement 2 and 3 seal
  • Dual seal in face-to-back arrangement
  • Balanced
  • Cartridge unit
  • Stationary metal bellows
  • Shrink fitted seal rings and solid mating rings

LY9TC

  • API 682 Category 2 and 3, Type C, Arrangement 1 seal
  • Single seal
  • Balanced
  • Cartridge unit
  • Stationary metal bellows
  • Shrink fitted seal ring and solid mating ring
Contact

Inquire about individual solutions

We develop and produce customer-specific special and individual solutions for every application.

Inquire now Discover reference projects
Back to the overview